防火門監控裝置
AFRD防火門監控系統集中控制其各終端設備即防火門監控模塊、電動閉門器、電磁釋放器的工作狀態,實時監測疏散通道防火門的開啟、關閉及故障狀態,顯示終端設備開路、短路等故障信號。
187-2109-5851
需要幫忙嗎?一個電話,安科瑞來幫你!
AFRD防火門監控系統集中控制其各終端設備即防火門監控模塊、電動閉門器、電磁釋放器的工作狀態,實時監測疏散通道防火門的開啟、關閉及故障狀態,顯示終端設備開路、短路等故障信號。

|
類別 |
描述 |
|
工作電壓 |
DC24V |
|
控制信號輸出 |
DC24V,0.17A |
|
通訊方式 |
二總線 |
|
環境溫度 |
-10℃~+55℃ |
|
相對濕度 |
≤95%RH |
|
外形尺寸 |
100*100*35(H*W*D)mm |
|
安裝方式 |
明裝 |
|
類別 |
描述 |
|
環境溫度 |
-10℃~+55℃ |
|
相對濕度 |
≤95%RH |
|
安裝方式 |
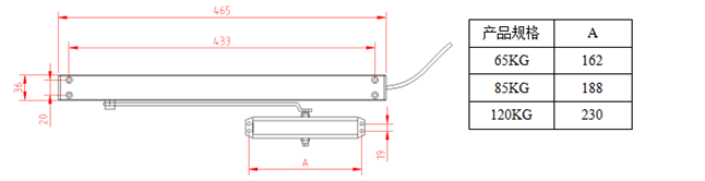
每扇防火門獨裝 |
|
類別 |
描述 |
|
工作電壓 |
DC24V |
|
供電方式 |
通訊線供電 |
|
適用門型 |
常開防火門 |
|
環境溫度 |
-10℃~+55℃ |
|
相對濕度 |
≤95%RH |
|
安裝方式 |
每扇防火門獨裝 |
|
類別 |
描述 |
|
工作電壓 |
DC24V |
|
供電方式 |
通訊線供電 |
|
適用門型 |
常開防火門 |
|
環境溫度 |
-10℃~+55℃ |
|
相對濕度 |
≤95%RH |
|
安裝方式 |
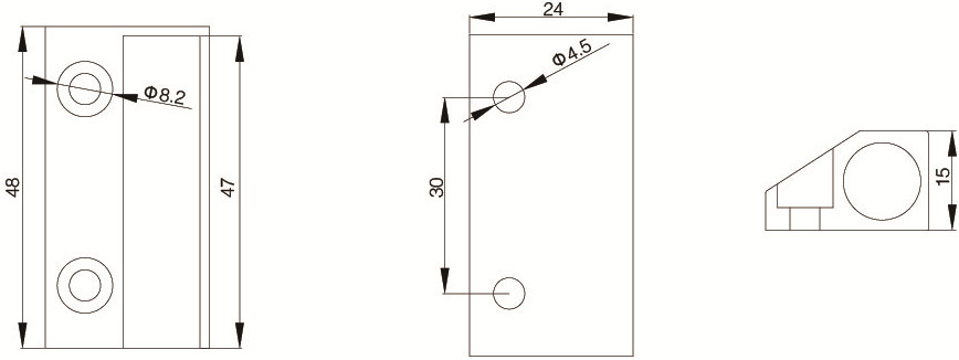
電磁體安裝在墻面上,吸板安裝于門上 |

AFRD-DC電磁釋放器
防火門監控器

區域分機
集中電源
防火門監控模塊
